We Provide The Best Active Gripper Components

Active Gripper Components

Mounting systems provide further flexibility to the active gripper components for their reach on the part to be handled. Our mounting systems provide 360˚ freedom for active gripper component to get adjusted on the object. These are the components which get more stress during working. Hence are made with top grade Aluminum which undergoes hard anodizing for durability.

Suction pads

Suction pads serve the purpose of basic gripping / holding of the part to be picked. For parts with easy removal from mold, gripper made of few suction pads can optimally perform the pick and place application.

Sprue pickers

Sprue pickers are used for picking of objects like runners or Sprue. These can be used for direct pick and place of parts or in combination with suction pads when parts are difficult to remove from mold. Parallel grippers can be converted in to Sprue pickers by mounting the custom jaws as per end application.

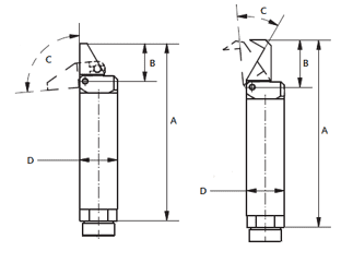
Finger Grippers /Pullers

Finger Grippers /Pullers play vital role in part removal when parts are difficult to remove from mold or when there is some catching of part at particular point inside the mold. In such case these are used along with Suction pads. Customized finger pullers can perform part handling without help of suction pads.

Finger Pullers helps in part release from mold in the grippers with vacuum cups. In some grippers these are used solely or in combination with pneumatic cylinders for part pick and place.

Part Code Arm Movement Force (N) at closing Weight(gm)
FG-90 90˚ 25 100
FG-35 35˚ 25 95
CFG-90 90˚ 35 115
Item Code A B C D
FG-90 115 25 90˚ 20
FG-35 25 25 35˚ 20

© Probond Engineering. All Rights Reserved.